Arduino Board Size - 4 Arduino Technical Details Arduino A Technical Reference Book / The board is equipped with sets of digital and analog input/output (i/o) pins that may be interfaced to various expansion boards (shields) and other circuits.

Arduino Board Size - 4 Arduino Technical Details Arduino A Technical Reference Book / The board is equipped with sets of digital and analog input/output (i/o) pins that may be interfaced to various expansion boards (shields) and other circuits.. Alternatively you can also search directly for the name of the core if you know it. The first step is to download the closest variant arduino board which matches your board. Thus they can share a similar program. For samd boards, this is the arduino zero. Glarks 120pcs 2.54mm straight single row pcb board female pin header socket connector strip assortment kit for arduino prototype shield (single row) 4.6 out of 5 stars.

Try to replicate macros with functions if possible. The classic arduino nano is the smallest board to build your projects with. If you are looking to get a cheaper intro into the field, or if you need your product in a smaller size, then you may go for the arduino mini. Thus they can share a similar program. Since arduino ide 1.6, the method for downloading new boards into the environment has been by adding special json files that software developers provide and then installing the custom boards using the boards manager.

Arduino Board Comparison Guide Arrow Com
Arduino Board Comparison Guide Arrow Com from static4.arrow.com
2.1mm inner diameter, 5.5mm outer diameter with positive tip that's just the mechanical size of the plug in case you're looking to match it up. Arduino boards come in a variety of shapes and sizes, but generally they can be organized into four groups: Arduino board size & pricing comparison the micro comes in, being true to its name, at 0.7 x 1.9 making it one of the smallest microcontroller boards out there. Some arduino uno clone boards are even cheaper than original arduino boards, so there are options for many different budgets. With 20 digital i/o pins, 12 analog inputs, and 7 pwm enabled pins. Avoid print statements used only for debugging. Because arduino uno size is double to nano board. I have found the overall dimensions of the arduino uno board, but can someone tell me the hole pattern and spacing?

Please refer to this link to know more about arduino nano board.

Find deals on arduino board in computers on amazon. Sunfounder raspberry pi rab holder breadboard kit with 830 points solderless circuit board raspberry pi holder for arduino r3, mega 2560 & raspberry pi 4b, 3b+, 3 model b, 2 model b and 1 model b+. The board is equipped with sets of digital and analog input/output (i/o) pins that may be interfaced to various expansion boards (shields) and other circuits. 2012/10/17 8:00 am / 3 comments / bertus kruger. Try to replicate macros with functions if possible. If you download the eagle files (and eagle) you can get the dimensions and hole pattern. A lower operating voltage makes the board easier to power with batteries ( lipos specifically), but it also means the clock speed has to be turned down. An arduino mega 2560 is basically a bigger arduino uno in terms of number of pins or header connections, size of the board and size of the memory. Please refer to this link to know more about arduino nano board. 2.1mm inner diameter, 5.5mm outer diameter with positive tip that's just the mechanical size of the plug in case you're looking to match it up. In terms of size, it is slightly bigger than the arduino nano at 48mm x 18mm. Some arduino uno clone boards are even cheaper than original arduino boards, so there are options for many different budgets. Sometimes they're just referred to as 2.1mm dc plug

A lower operating voltage makes the board easier to power with batteries ( lipos specifically), but it also means the clock speed has to be turned down. The mini has a length of about 3cm and is hence suitable for compact projects like small robots. Compared to the nano, the micro comes with more peripherals for your project needs. Because arduino uno size is double to nano board. The 5v/16mhz board runs at the same voltage and speed as the arduino uno.

Arduino Pico The World S Smallest Arduino Board Arduino Project Hub
Arduino Pico The World S Smallest Arduino Board Arduino Project Hub from hackster.imgix.net
Up next, we have the arduino micro which is slightly bigger than the nano and has been similarly designed to fit on a solderless breadboard. Sometimes they're just referred to as 2.1mm dc plug Since arduino ide 1.6, the method for downloading new boards into the environment has been by adding special json files that software developers provide and then installing the custom boards using the boards manager. It's an extremely common power plug size, so it isn't too hard to find a matching power plug. I have found the overall dimensions of the arduino uno board, but can someone tell me the hole pattern and spacing? Alternatively you can also search directly for the name of the core if you know it. If you are looking to get a cheaper intro into the field, or if you need your product in a smaller size, then you may go for the arduino mini. However, it is powered by the atmega32u4 which is different from the nano.

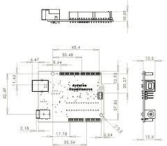
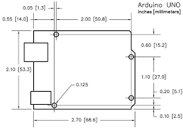
I have found the overall dimensions of the arduino uno board, but can someone tell me the hole pattern and spacing?

If you are looking to get a cheaper intro into the field, or if you need your product in a smaller size, then you may go for the arduino mini. Free shipping on orders over $25 shipped by amazon. Try to replicate macros with functions if possible. It can mate with either an rfm12b or rfm69w/hw/cw transceiver from hoperf, allowing very low cost wireless communication (also available without a transceiver). Up next, we have the arduino micro which is slightly bigger than the nano and has been similarly designed to fit on a solderless breadboard. The arduino nano board is similar to an arduino uno board including similar microcontroller like atmega328p. The core is available in the arduino ide software under the menu tools > board > boards manager. The board is equipped with sets of digital and analog input/output (i/o) pins that may be interfaced to various expansion boards (shields) and other circuits. Glarks 120pcs 2.54mm straight single row pcb board female pin header socket connector strip assortment kit for arduino prototype shield (single row) 4.6 out of 5 stars. In addition, with a native usb, you can use it as a mouse, keyboard, etc easily. The mini has a length of about 3cm and is hence suitable for compact projects like small robots. The basic arduino board to build secure wifi and bluetooth® applications. Difference between arduino uno and arduino nano.

I'd recommend you use the punch rather than just drilling through the paper, to avoid a walking drill bit. 4.7 out of 5 stars. A lower operating voltage makes the board easier to power with batteries ( lipos specifically), but it also means the clock speed has to be turned down. Because arduino uno size is double to nano board. I found this handy diagram online and though i would share it with everyone.

Arduino Uno Pinout Dimensions Circuit Boards
Arduino Uno Pinout Dimensions Circuit Boards from media1.pladiscount.com
Free shipping on orders over $25 shipped by amazon. If you are looking to get a cheaper intro into the field, or if you need your product in a smaller size, then you may go for the arduino mini. Difference between arduino uno and arduino nano. Cmiyc june 20, 2011, 1:22am #2. Thus they can share a similar program. 85 ($1.07/10 items) get it as soon as wed, jun 9. Recently i was busy building a nice case for an arduino and i needed the dimensions to make the correct mounting holes. The atmega32u4 on the micro comes preprogrammed with a bootloader that allows you to upload new code to it without the use of an external hardware programmer.

The mini has a length of about 3cm and is hence suitable for compact projects like small robots.

Some arduino uno clone boards are even cheaper than original arduino boards, so there are options for many different budgets. Always put the repetitive code in functions or loops. Because arduino uno size is double to nano board. It has more or less the same functionality of the arduino duemilanove, but in a different package. I do not have the board in hand yet, and am trying to design a mount for it on my project. It has all the functionalities of the arduino uno in a smaller size and is cheaper than the uno. Since arduino ide 1.6, the method for downloading new boards into the environment has been by adding special json files that software developers provide and then installing the custom boards using the boards manager. 2.1mm inner diameter, 5.5mm outer diameter with positive tip that's just the mechanical size of the plug in case you're looking to match it up. For details, see the reference and tutorials. With 20 digital i/o pins, 12 analog inputs, and 7 pwm enabled pins. So uno boards use more space on the system. I found this handy diagram online and though i would share it with everyone. Alternatively you can also search directly for the name of the core if you know it.

Arduino uno and mega dimensions arduino board. The core is available in the arduino ide software under the menu tools > board > boards manager.

Comments